|
January 15, 2007
This whitepaper is
scheduled
to be published on November 21, 2007
2008. Additional details will be gradually
posted in the coming months.
07/13/07: This is a sneak preview of the up-coming
whitepaper.
Note: Even though many technical terms used here can only be
understood (and related to) by electronics engineers, the lay
person can safely ignore those and still get the gist of the philosophy.
Sometimes,
the slightest tweak here and there, could result in...


Nothing is black-and-white, and certainly nothing is perfect.
The concept of "binary" is just that, and exist only in abstract form.
Even digital electronics are implemented entirely in analog
circuitries. You simply cannot escape reality.
The
world is a giant close-loop servo circuit, not open-ended 1-way absolute
control. Think of it as a complex op-amp, with numerous intricate cascaded
feedback and filtering. Ever wonder why things are so predictably and
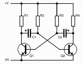
perpetually cyclic in nature? If you're starting to see the World Simulator
(people machine) as an non-linear oscillator based on astable
multivibrator circuit*, and elaborate interconnection of filters, and
multi-level modulation, then you're on the right track.
All the ____isms of the world can't bring you food, nor cure cancer. They
only serve to allow you momentary indulgence and a sense of (unwarranted)
righteousness and superiority. There will always be ____ism at its best, and
at its worst. At the end of the day, it's up to you to apply common sense
and pick the right tools from various chests to get the job done. Misguided
over-reliance or blind following of any ideology is the ultimate idiotogy.
* Yes, there is such a thing, it's not a made up term.
|